Motor electric trifazat 0.37kw 3000rpm 63 B3 IE2 aLL
Acest motor electric trifazat 0.37kw 3000rpm 63 B3 IE2 aLL este proiectat pentru a fi „motorul universal” din atelierul sau fabrica dumneavoastră. Combinând o construcție robustă cu flexibilitatea montajului pe talpă (B3), acest model se poate instala rapid pe aproape orice suprafață plană sau șasiu de utilaj.
Clasificat IE2 (High Efficiency), motorul reduce pierderile energetice și căldura generată, oferind o economie reală de costuri față de motoarele standard IE1. Cu o greutate redusă de 4.6 kg datorită carcasei din aluminiu și un bobinaj 100% din cupru, acesta este construit să reziste la solicitări mecanice intense și funcționare continuă.
5 Avantaje ale acestui Motor electric trifazat 0.37kw 3000rpm 63 B3 IE2 aLL
-
Stabilitate Maximă (Montaj B3): Tălpile turnate direct în corpul carcasei oferă cea mai sigură și rigidă fixare posibilă, eliminând vibrațiile nedorite în timpul funcționării la turații mari.
-
Eficiență Energetică IE2: Randamentul optimizat înseamnă un consum mai mic de curent electric și o temperatură de operare mai scăzută, protejând izolația bobinajului pe termen lung.
-
Versatilitate în Aplicații: Fiind standardul industriei pentru fixare, se potrivește perfect pe bancuri de lucru, șasiuri de transportoare sau postamente de beton.
-
Protecție IP55: Carcasa etanșă protejează împotriva prafului fin (comun în ateliere de tâmplărie sau morărit) și a jeturilor de apă, permițând spălarea echipamentelor fără riscuri.
-
Răcire Eficientă: Carcasa din aluminiu cu aripioare longitudinale disipă rapid căldura, permițând motorului să funcționeze la capacitate maximă fără a intra în protecție termică.
Fișă Tehnică Motor electric trifazat 0.37kw 3000rpm 63 B3 IE2
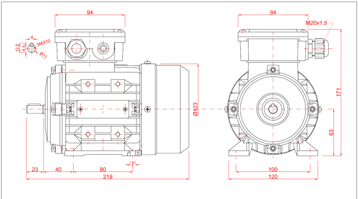
Verificați dimensiunile de prindere de mai jos pentru a vă asigura că motorul se potrivește pe postamentul existent.
| Specificație Tehnică | Valoare |
| Putere Nominală | 0.37 kW (0.5 CP) |
| Turație (Sincronă / Nominală) | 3000 rot/min / ~2840 rot/min |
| Tip Montaj | B3 (Prindere pe Talpă) |
| Gabarit (Frame Size) | 63 |
| Diametru Ax | 11 mm (cu pană de 4mm) |
| Dimensiuni Prindere Tălpi | 100mm (lățime) x 80mm (lungime) |
| Înălțime Ax (de la sol) | 63 mm |
| Tensiune Alimentare | 230V (Triunghi) / 400V (Stea) |
| Curent Nominal (la 400V) | 0.99 A |
| Clasa de Eficiență | IE2 (High Efficiency) |
| Material Carcasă | Aluminiu |
| Greutate Netă | 4.6 kg |
Unde se utilizează acest Motor electric trifazat 0.37kw 3000rpm 63 B3 IE2 aLL?
Datorită turației ridicate și a fixării stabile, acest motor de 0.37 kW este recomandat pentru:
-
Ventilație Industrială: Acționarea ventilatoarelor axiale montate pe cadru fix.
-
Agricultură: Mori mici de cereale, selectoare sau snecuri transportoare scurte.
-
Ateliere de Prelucrare: Polizoare de banc, circulare de mici dimensiuni sau mașini de șlefuit.
-
Compresoare: Unități mici de compresie aer care necesită antrenare prin curea.
Notă Tehnică Importantă (B3 vs B14/B5)
Acest motor are prindere tip B3 (Pe Talpă). Aceasta înseamnă că fixarea se face prin 4 șuruburi la baza motorului. Nu are flanșă la ax. Dacă aveți nevoie să prindeți motorul direct de un reductor suspendat, verificați dacă aveți nevoie de varianta cu flanșă (B14 sau B5).

