Motor electric trifazat 0.37kw 3000rpm 71 B3 IE2 aLL
Acest motor electric trifazat 0.37kw 3000rpm 71 B3 IE2 aLL, cu eficiență energetică IE2 (High Efficiency), este proiectat pentru aplicații industriale care necesită turație ridicată (~3000 rot/min) și consum optimizat de energie. Montajul standard pe talpă (B3) oferă o bază solidă și versatilă pentru instalarea pe orice platformă sau cadru de mașină .
Carcasa din Aluminiu (Gabarit 71) asigură o greutate optimizată (~6.5 kg) și o disipare eficientă a căldurii. Clasificarea IE2 și bobinajul din cupru garantează o funcționare mai eficientă energetic față de motoarele standard, contribuind la economii pe durata de viață a motorului. Motorul livrează un cuplu nominal de ~1.25 Nm la o turație de lucru de ~2820 rot/min, reprezentând o soluție fiabilă pentru acționări rapide.
Caracteristici Cheie și Beneficii Motor electric trifazat 0.37kw 3000rpm 71 B3 IE2 aLL
-
Eficiență Energetică IE2: Reduce activ consumul de energie electrică și costurile de operare, oferind un randament superior (estimat ~70%) față de clasa IE1.
-
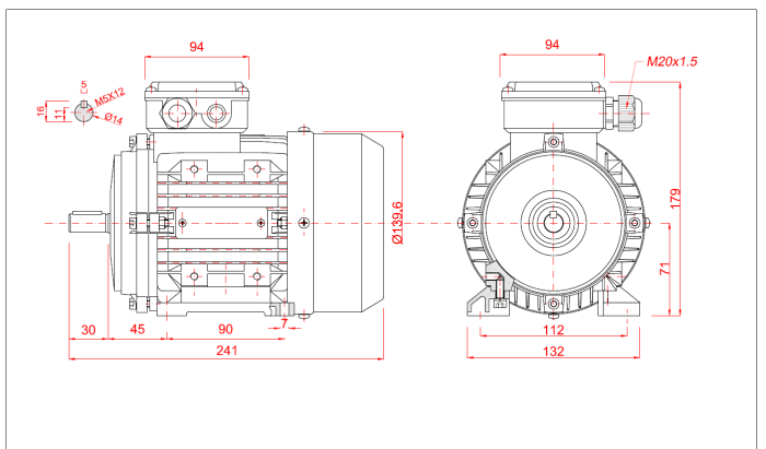
Montaj Universal B3: Prinderea pe tălpi (Gabarit 71) permite integrarea ușoară și stabilă în diverse sisteme de acționare, fiind ideal pentru transmisii prin curele sau cuplaje (Ax Ø14 mm).
-
Putere Standard Industrială: 0.37 kW, potrivită pentru acționarea mașinilor de mică putere ce funcționează la turații înalte (2820 min⁻¹).
-
Durabilitate Industrială: Etanșat la standard IP55 și echipat cu protecție termică PTC 120 °C (Termistor).
-
Construcție Optimizată: Carcasa din Aluminiu și bobinajul din Cupru asigură o răcire eficientă și longevitate, având rulmenți standard 6202-ZZ-C3.
-
Performanță Stabilă: Livrează un cuplu nominal de ~1.25 Nm și are un factor de putere bun (cos φ ~0.79).
Specificații Tehnice Motor electric trifazat 0.37kw 3000rpm 71 B3 IE2 aLL
| Caracteristică | Valoare |
| Putere motor | 0.37 kW |
| Turație Nominală (50 Hz) | ~2820 rot/min |
| Cuplu Nominal (Torque) | ~1.25 Nm |
| Curent Nominal (400V) | ~0.97 A |
| Tensiune (50 Hz) | 230 V (Delta) / 400 V (Y) |
| Gabarit (Frame size) | 71 |
| Tip montaj | Pe tălpi (B3) |
| Diametru ax | 14 mm |
| Clasă de eficiență | IE2 |
| Randament (100% sarcină) | ~70 % |
| Factor de putere (cos varphi 50 Hz) | ~0.79 |
| Grad de protecție | IP55 |
| Protecție termică | PTC 120 °C |
| Greutate | 6.5 kg |
| Bobinaj | Cupru |
Aplicații Recomandate Motor electric trifazat 0.37kw 3000rpm 71 B3 IE2 aLL
Acest model cu eficiență IE2 și montaj B3 este ideal pentru aplicații staționare cu operare îndelungată:
-
Echipamente de Fluidizare: Pompe centrifugale mici, ventilatoare axiale și centrifugale în funcționare continuă.
-
Sisteme de Transport: Benzi transportoare pentru sarcini ușoare.
-
Mașini-Unelte: Mașini mici de prelucrare (polizoare, mașini de găurit) fixate pe banc.
-
Automatizări Agricole/Industriale: Acționări auxiliare unde eficiența energetică este un criteriu important.
Alegeți eficiența IE2 și stabilitatea B3. Contactați-ne pentru consultanță tehnică!

