Motor electric trifazat 11kw 3000rpm 160 B5 IE2 aLL
Obțineți performanță maximă și durabilitate extinsă cu motorul electric trifazat 11kw 3000rpm 160 B5 IE2 aLL. Această configurație specială combină puterea unui motor de turație ridicată cu un șasiu supradimensionat de Gabarit 160 și eficiența energetică a clasei IE2 (High Efficiency).
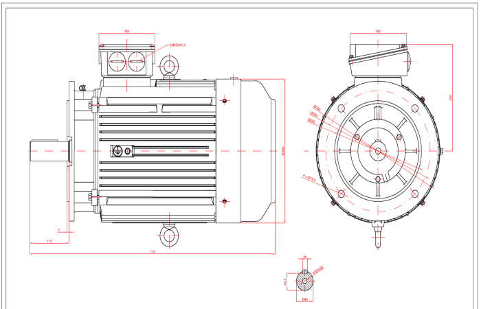
Spre deosebire de motoarele standard de 11 kW (construite de obicei pe gabarit 132), acest model utilizează un corp mai voluminos din Aluminiu, care asigură o ventilație excepțională și o rezervă de putere termică superioară. Echipat cu Flanșă Mare (B5), este soluția ideală pentru aplicațiile care necesită o cuplare directă rigidă și o funcționare „rece” chiar și în regim de sarcină continuă. Axul de Ø42 mm garantează un transfer de cuplu fără compromisuri.
Avantaje Unice Motor electric trifazat 11kw 3000rpm 160 B5 IE2 aLL
- Eficiență și Economie (IE2): Prin încadrarea în clasa IE2, acest motor transformă mai eficient energia electrică în lucru mecanic (Randament superior variantelor IE1), reducând facturile la utilități și încălzirea bobinajului.
- Construcție Supradimensionată (Gabarit 160): Utilizarea carcasei de 160 pentru o putere de 11 kW oferă un ax mult mai gros (42 mm) și rulmenți mai mari, crescând exponențial rezistența la șocuri mecanice și sarcini radiale.
- Montaj Stabil pe Flanșă (B5): Flanșa de 350 mm (specifică gabaritului 160) oferă o suprafață de contact largă, asigurând o aliniere perfectă și stabilitate maximă pentru pompe mari sau reductoare industriale.
-
Fiabilitate: Datorită suprafeței mari de disipare a căldurii și a bobinajului din Cupru 100%, motorul funcționează la temperaturi mai scăzute, prelungind durata de viață a izolației.
-
Protecție Completă: Carcasa etanșă IP55 și senzorii PTC 120°C sunt standard, protejând investiția dumneavoastră în medii industriale.
Specificații Tehnice Motor electric trifazat 11kw 3000rpm 160 B5 IE2 aLL
| Caracteristică | Detaliu Tehnic |
| Putere Motor | 11 kW (15 CP) |
| Turație Nominală | ~2920 – 2940 rot/min (2 Poli) |
| Cuplu Nominal | ~35.9 Nm |
| Curent Nominal (400V) | ~20 A |
| Gabarit (Frame Size) | 160 |
| Tip Montaj | Flanșă Mare (B5) |
| Dimensiuni Flanșă | Diametru exterior 350 mm |
| Diametru Ax | 42 mm |
| Clasă de Eficiență | IE2 (High Efficiency) |
| Material Carcasă | Aluminiu |
| Material Bobinaj | Cupru |
| Grad de Protecție | IP 55 |
| Protecție Termică | PTC 120 °C |
| Greutate | ~75 – 80 kg |
Aplicații Recomandate Motor electric trifazat 11kw 3000rpm 160 B5 IE2 aLL
Acest motor este „soluția heavy-duty” pentru aplicațiile care necesită cuplare directă:
-
Grupuri de Pompare Industriale: Pompe centrifuge mari unde stabilitatea flanșei de 350mm este critică.
-
Reductoare de Mare Putere: Acționarea reductoarelor care necesită un ax de intrare de 42mm.
-
Ventilatoare Axiale Grele: Sisteme de ventilație unde motorul susține elicea direct, iar rulmenții gabaritului 160 preiau sarcina axială.
-
Mixere Industriale: Agitatoare montate vertical pe tancuri, unde flanșa B5 trebuie să susțină greutatea și forțele de mixare.
Alegeți performanța IE2 în cel mai robust format de aluminiu. Contactați-ne pentru detalii!

