Motor electric trifazat 11kw 750rpm 180 B5
Special creat pentru aplicații industriale unde este necesară o cuplare directă și precisă, acest motor electric cu prindere pe flanșă (tip B5) este soluția perfectă pentru reductoare, pompe și alte echipamente. Bobinajul său, realizat integral din cupru, asigură o performanță energetică superioară și o fiabilitate pe termen lung, chiar și în regim de lucru continuu.
Construcția sa robustă cu carcasă din aluminiu (mărimea 180) și protecția IP55 îl fac rezistent la praf și jeturi de apă. Siguranța în operare este garantată de clasa de izolație F și de protecția termică cu senzor PTC. Datorită montajului pe flanșă, acest motor elimină necesitatea curelelor sau a altor elemente de transmisie, oferind un ansamblu compact și eficient.
Specificații Tehnice Motor electric trifazat 11kw 750rpm 180 B5:
- Tip Motor: Trifazat, Asincron, pentru uz industrial;
- Putere: 11 kW;
- Bobinaj: 100% Cupru;
- Turație (la 50Hz): 730 RPM (nominal);
- Dimensiune Carcasă (Frame): 180;
- Tip Montaj: B5 (cu flanșă);
- Tensiune de Alimentare (50Hz): 400V (Δ) / 690V (VY);
- Curent Nominal (50Hz): 25.03 A (la 400V);
- Cuplu Nominal: 143.96 Nm;
- Grad de Protecție: IP 55;
- Material Carcasă: Fonta;
- Protecție Termică: Da, senzor PTC 120°C;
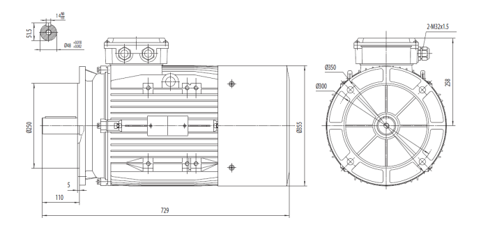
Dimensiuni Principale Motor electric trifazat 11kw 750rpm 180 B5:
- Diametru Ax: 48 mm;
- Diametru exterior flanșă: 350 mm;
- Diametru cerc găuri prindere: 300 mm;
- Diametru butuc centrare: 250 mm;
- Lungime Totală: 729 mm;
Aplicații Recomandate:
Ideal pentru cuplarea directă cu:
- Reductoare de turație cu flanșă;
- Pompe centrifugale sau cu roți dințate;
- Ventilatoare industriale;
- Alte echipamente care necesită un montaj compact și rigid;


