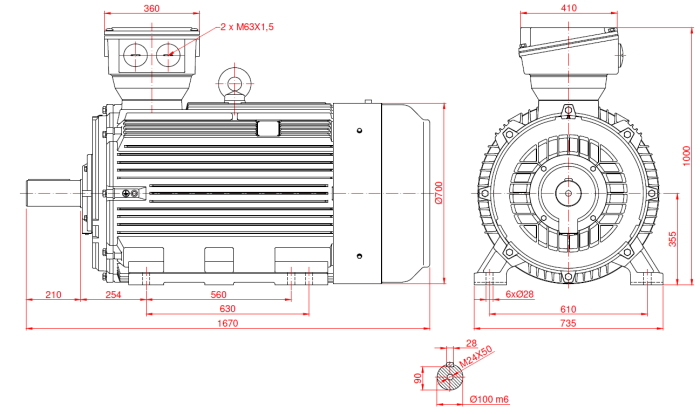
Caracteristici Motor electric trifazat 200kw 750rpm 355 B3:
- Putere: 200kw
- Turatie: 750rpm/8poli
- Gabarit: 355
- Diametru AX: 100mm
- Fixare: Talpa
- Prindere: B3
Un motor electric trifazat este un tip de motor electric care utilizează trei fire de curent alternativ pentru a crea mișcare rotativă. Motorul electric trifazat de 200 kW are o putere uriașă, permițându-i să ruleze o varietate de aplicații, inclusiv cele care necesită o putere mare, cum ar fi fabricile, uzinele și alte locații industriale.
Turatia de 750 rpm/8 poli indică faptul că acest motor are opt poli distincte și rulează la 750 de rotații pe minut. Acest lucru poate fi important pentru aplicațiile care necesită mai multă precizie sau pentru cele care necesită o viteză de rulare constantă.
Diametrul axului de 100 mm de face motorul și mai puternic și mai stabilit, permțându-i să reziste la greutățile mari și la forțele care acționează asupra sa în timpul funcționării.
Fixarea talpii permite motorului să fie fixat într-un loc specific, permițând astfel ca mișcarea rotativă să fie transferată către alt echipament sau mașină.
Aceste caracteristici ale unui motor electric trifazat de 200 kW 750 rpm 355 B3 îl fac unul dintre cele mai puternice și versatilie motoare din piață. Ele sunt dezvoltate pentru a oferi performanță de lungă durată și pot fi utilizate într-o varietate de aplicații comerciale și industriale.



