Motor electric trifazat 4kw 3000rpm 112 B14 IE2 aLL
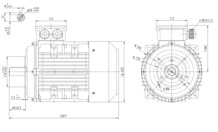
Acest motor electric trifazat 4kw 3000rpm 112 B14 IE2 aLL este soluția optimă pentru aplicațiile industriale care necesită nu doar viteză, ci și o stabilitate mecanică superioară. Construit pe un șasiu de Gabarit 112 din Aluminiu, acest model oferă un plus de robustețe și răcire comparativ cu variantele compacte, menținând totodată o eficiență energetică de top (Clasa IE2).
Montajul pe flanșă mică (B14) asigură integrarea directă și rigidă pe echipamente, economisind spațiu. Datorită randamentului estimat de 86.2%, motorul reduce costurile operaționale, livrând un cuplu dinamic de 13.08 Nm la ~2920 rot/min.
Caracteristici Cheie Motor electric trifazat 4kw 3000rpm 112 B14 IE2 aLL
-
Robustețe Gabarit 112: Carcasa mai voluminoasă permite o disipare termică excelentă și găzduiește rulmenți mai mari (6207-ZZ / 6206-ZZ), crescând durata de viață a motorului în regim intens.
-
Eficiență Energetică (IE2): Maximizează performanța prin reducerea pierderilor de energie, amortizând investiția prin facturi mai mici la electricitate.
-
Ax Puternic de Ø38 mm: Diametrul axului este semnificativ mai mare decât la gabaritul 100, oferind rezistență superioară la forțele de torsiune și încovoiere.
-
Montaj Compact B14: Flanșa standardizată (centrare 130 mm, exterior 200 mm) permite fixarea directă pe reductoare sau pompe, eliminând necesitatea tălpilor.
-
Performanță Dinamică (5.5 CP): 4 kW disponibili constant, ideali pentru pornirea rapidă a sarcinilor inerțiale medii.
-
Fiabilitate Extinsă: Bobinaj din Cupru 100%, protecție IP55 și senzori PTC 120 °C pentru siguranță totală.
Specificații Tehnice Motor electric trifazat 4kw 3000rpm 112 B14 IE2 aLL
Aplicații Recomandate Motor electric trifazat 4kw 3000rpm 112 B14 IE2 aLL
Datorită gabaritului 112 și flanșei B14, acest motor este recomandat pentru:
-
Pompe Industriale: Pompe centrifuge sau hidraulice care necesită un ax mai gros pentru cuplare.
-
Ventilație de Performanță: Ventilatoare axiale mari montate pe tubulatură.
-
Reductoare: Cuplare pe reductoare cu intrare de 38mm.
-
Utilaje de Prelucrare: Mașini de frezat sau debitat unde rigiditatea axului este critică.
-
Mixere: Agitatoare pentru lichide cu vâscozitate medie.
Alegeți puterea de 4 kW și robustețea Gabaritului 112. Contactați-ne pentru detalii!


