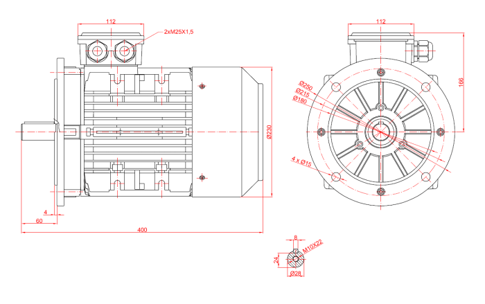
Motor electric trifazat 4kw 3000rpm 112 B5
Caracteristici Motor electric trifazat 4kw 3000rpm 112 B5:
- Putere: 4kw;
- Turatie: 3000rpm/2poli;
- Gabarit: 112;
- Diametru AX: 28mm;
- Fixare: B5;
- Prindere: Flansa mare;
- Diametru flansa: 250mm;
- 25.5kg;
Un motor electric trifazat 4kw 3000rpm 112 B5 este un echipament esențial în diferite domenii industriale sau comerciale. Acesta are o putere nominală de 4 kilowați și o turatie de 3000 rpm la 2 poli. Diametrul axului este de 28 mm, ceea ce îl face compatibil cu o gamă largă de echipamente și aplicații.
Fixarea B5, sau flanșare, este un mecanism de prindere care permite montarea ușoară a motorului pe diferite dispozitive. Este important să se verifice dacă dimensiunile de fixare sunt compatibile cu echipamentul de unde urmează să fie instalat motorul.
Motorul electric trifazat 4kw 3000rpm 112 B5 se dezvoltă prin utilizarea a trei faze de tensiune alternativă, permițând un control mai precis și un nivel ridicat de eficiență energetică. Este un motor puternic, capabil să realizeze sarcini de lucru cu o expunere minimă la încărcături excesive.
Acest tip de motor este adesea utilizat în aplicații care necesită o viteză constantă, precum pompele, aerul conditionat, transportoarele și multe altele. De asemenea, aceste motoare sunt ideale pentru aplicații care necesită pornirea și oprirea frecventă, precum mașinile de prelucrare a lemnului, expresoarele și multe altele.
În concluzie, motorul electric trifazat 4kw 3000rpm 112 B5 este o opțiune excelentă pentru aplicații industriale și comerciale care necesită un motor puternic, durabil și eficient. Fiind construit cu materiale de calitate superioară și proiectat cu atenție la detalii, acest motor poate face față cu ușurință cerințelor și necesitățile utilizatorilor.

| Gabarit motor (IEC-PAM) | Putere motor Kw | Putere motor cai putere | Turatie nominala motor | Amperaj 400V | (ƞ) 100% | Cos ɸ 100% | is-in | cs-cn | cm-cn | cn Nm | Kgm2 | Greutate |
| 56a | 0.09kw | 0.12HP | 2750rot/min | 0,5 | 41 | 0,63 | 3,1 | 2,60 | 2,70 | 0,31 | 0,00010 | 2.7kg |
| 56b | 0.12kw | 0.16HP | 2770rot/mi | 0,6 | 51 | 0,57 | 3,5 | 2,80 | 2,90 | 0,41 | 0,00010 | 3.1kg |
| 56c | 0.18kw | 0.25HP | 2760rot/min | 0,75 | 58 | 0,60 | 3,7 | 2,70 | 2,80 | 0,62 | 0,00010 | 3.4kg |
| 63a | 0.18kw | 0.25HP | 2780rot/min | 0,68 | 61 | 0,63 | 3,8 | 2,50 | 2,60 | 0,62 | 0,00019 | 3.1kg |
| 63b | 0.25kw | 0.33HP | 2780rot/min | 0,75 | 67 | 0,72 | 3,8 | 2,80 | 2,90 | 0,86 | 0,00019 | 3.5kg |
| 63c | 0.37kw | 0.5HP | 2790rot/min | 0,9 | 74 | 0,80 | 4,2 | 2,90 | 3,00 | 1,27 | 0,00023 | 3.9kg |
| 63e | 0.55kw | 0.75HP | 2790rot/min | 1,5 | 72 | 0,74 | 4 | 2,30 | 2,50 | 1,88 | 0,00030 | 4.8kg |
| 71a | 0.37kw | 0.5HP | 2790rot/min | 1 | 69 | 0,77 | 4,5 | 2,60 | 2,70 | 1,27 | 0,00032 | 5.7kg |
| 71b | 0.55kw | 0.75HP | 2800rot/min | 1,4 | 72 | 0,79 | 4,4 | 2,80 | 2,90 | 1,88 | 0,00042 | 6.7kg |
| 71c | 0.75kw | 1HP | 2800rot/min | 1,8 | 74 | 0,81 | 4,5 | 0,75 | 3,10 | 2,56 | 0,00057 | 8.0kg |
| 80a | 0.75kw | 1HP | 2820rot/min | 1,9 | 76 | 0,75 | 4,6 | 2,20 | 2,50 | 2,54 | 0,00083 | 8.6kg |
| 80b | 1.1kw | 1.5HP | 2820rot/min | 2,3 | 82 | 0,84 | 5,1 | 2,50 | 2,60 | 3,73 | 0,00103 | 9.6kg |
| 80c | 1.5kw | 2HP | 2830rot/min | 3,2 | 81 | 0,84 | 5,5 | 2,70 | 2,90 | 5,06 | 0,00124 | 10.7kg |
| 80e | 1.8kw | 2.5HP | 2820rot/min | 4 | 80 | 0,81 | 5,2 | 2,40 | 2,60 | 6,10 | 0,00138 | 11.3kg |
| 90Sa | 1.5kw | 2HP | 2850rot/min | 3,8 | 75 | 0,76 | 5,4 | 2,20 | 2,70 | 5,03 | 0,00130 | 13.4kg |
| 90Sb | 1.8kw | 2.5HP | 2840rot/min | 4,4 | 74 | 0,80 | 5,3 | 2,30 | 2,80 | 6,06 | 0,00139 | 14.7kg |
| 90Lb | 2.2kw | 3HP | 2860rot/min | 5,2 | 76 | 0,80 | 5 | 2,70 | 3,00 | 7,35 | 0,00185 | 14.7kg |
| 90Lc | 3kw | 4HP | 2860rot/min | 7 | 80 | 0,77 | 6 | 2,90 | 3,10 | 10,02 | 0,00222 | 17.7kg |
| 100La | 3kw | 4HP | 2880rot/min | 6,8 | 77 | 0,83 | 6,2 | 2,20 | 2,80 | 9,95 | 0,00284 | 17.9kg |
| 100Lb | 4kw | 5.5HP | 2880rot/min | 8 | 84 | 0,86 | 6,5 | 2,20 | 2,80 | 13,27 | 0,00379 | 21.6kg |
| 100Le | 5kw | 6.8HP | 2870rot/min | 10,5 | 82 | 0,84 | 6,6 | 2,30 | 2,70 | 16,64 | 0,00442 | 23.8kg |
| 112Ma | 4kw | 5.5HP | 2900rot/min | 8,4 | 81 | 0,85 | 6,5 | 2,20 | 2,60 | 13,18 | 0,00506 | 25.5kg |
| 112Mb | 5.5kw | 7.5HP | 2910rot/min | 11,4 | 83 | 0,84 | 6,7 | 2,10 | 2,60 | 18,06 | 0,00658 | 30.3kg |
| 112Me | 7.5kw | 10HP | 2915rot/min | 15,6 | 84 | 0,83 | 6,8 | 2,30 | 2,60 | 24,58 | 0,00759 | 33.1kg |
| 112MLg | 9.2kw | 12.5HP | 2920rot/min | 18,5 | 86 | 0,84 | 6,6 | 2,30 | 2,70 | 30,10 | 0,00911 | 36.4kg |
| 132Sa | 5.5kw | 7.5HP | 2920rot/min | 11,4 | 83 | 0,84 | 5,8 | 2,10 | 2,20 | 18,00 | 0,01016 | 38.7kg |
| 132Sb | 7.5kw | 10HP | 2915rot/min | 15 | 87 | 0,83 | 6,2 | 2,60 | 3,10 | 24,58 | 0,01242 | 41.3kg |
| 132Mc | 9.2kw | 12.5HP | 2920rot/min | 19 | 86 | 0,81 | 0,81 | 6,8 | 2,60 | 3,30 | 0,01581 | 47.6kg |
| 132Md | 11kw | 15HP | 2920rot/min | 21 | 88 | 0,86 | 7,2 | 2,50 | 3,50 | 35,99 | 0,01919 | 54.0kg |
| 132Me | 15kw | 20HP | 2930rot/min | 28 | 89 | 0,87 | 6,7 | 2,60 | 3,60 | 48,91 | 0,02145 | 58.1kg |
| 132Mg | 18.5kw | 25HP | 2925rot/min | 35,3 | 89 | 0,85 | 6,8 | 2,30 | 3,20 | 60,43 | 0,02484 | 66.3kg |
| 160Ma | 11kw | 15HP | 2940rot/min | 21,7 | 87 | 0,84 | 7,2 | 2,50 | 3,10 | 35,75 | 0,02817 | 76.1kg |
| 160Mb | 15kw | 20HP | 2930rot/min | 28,6 | 88 | 0,86 | 7,4 | 2,50 | 3,10 | 48,91 | 0,03842 | 88.0kg |
| 160Lc | 18.5kw | 25HP | 2930rot/min | 35,3 | 90 | 0,84 | 7 | 2,40 | 3,30 | 60,32 | 0,04610 | 96.8kg |
Aceste informații detaliate sunt despre dimensiunile și specificațiile tehnice ale acestui motor electric asincron trifazat, ce pot fi folosite pentru a îmbunătăți descrierea produselor de pe site-ul aLLindustriaL.ro, oferind clienților toate detaliile necesare pentru a face alegerea potrivită!

