Motor electric trifazat 0.12kw 3000rpm 56 B3
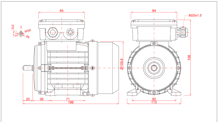
Motor electric trifazat 0.12kw 3000rpm 56 B3 este o unitate de putere compactă și robustă, ideală pentru aplicațiile industriale care necesită o viteză ridicată (~3000 rot/min) și o fixare stabilă pe bază. Construit pe un șasiu ușor de Gabarit 56 din Aluminiu, acest motor oferă performanță fiabilă într-un pachet extrem de manevrabil (~3 kg).
Sistemul de montaj pe tălpi (B3) permite o instalare sigură pe bancuri de lucru sau în interiorul carcaselor de echipamente, asigurând o bază solidă pentru transmiterea cuplului de 0.4 Nm. Motorul este optimizat pentru sarcini continue, oferind un randament adecvat clasei sale de putere.
Caracteristici Cheie și Beneficii Motor electric trifazat 0.12kw 3000rpm 56 B3
-
Stabilitate B3: Tălpile integrate oferă o soluție universală de fixare, reducând vibrațiile și simplificând alinierea cu transmisiile prin curele sau cuplaje elastice.
-
Putere de Precizie (0.16 CP): 0.12 kW disponibili constant la 2840 rot/min, perfecți pentru acționarea mecanismelor fine, a ventilatoarelor mici sau a pompelor de laborator.
-
Construcție Ușoară: Carcasa din aluminiu facilitează disiparea căldurii și menține greutatea redusă, ideală pentru echipamente portabile sau compacte.
-
Fiabilitate Industrială: Bobinaj din Cupru 100%, protecție IP55 (praf/apă) și senzori termici PTC 120 °C incluși standard pentru siguranță maximă.
-
Ax Standard (Ø9 mm): Diametrul axului este optimizat pentru cuplul nominal, asigurând o conexiune sigură și precisă.
Specificații Tehnice Motor electric trifazat 0.12kw 3000rpm 56 B3
Aplicații Recomandate Motor electric trifazat 0.12kw 3000rpm 56 B3
Datorită montajului B3 și puterii de 0.12 kW, acest motor este recomandat pentru:
-
Sisteme de Ventilație: Ventilatoare axiale mici montate pe șasiu pentru răcirea echipamentelor.
-
Pompe de Laborator: Acționarea pompelor centrifuge mici sau peristaltice pe standuri.
-
Transportoare Ușoare: Benzi transportoare miniaturale pentru piese mici sau medicamente.
-
Mașini-Unelte de Banc: Polizoare fine, mașini de gravat sau de găurit mici.
-
Automatizări: Mecanisme de poziționare sau acționare a clapetelor.
Alegeți stabilitatea B3 și precizia de 0.12 kW. Contactați-ne pentru detalii!

